Fiat 500L jaki silnik wybrać, aby uniknąć wysokich kosztów eksploatacji?
Wybierz odpowiedni silnik do Fiat 500L, aby uniknąć wysokich kosztów eksploatacji. Sprawdź, który silnik najlepiej odpowiada Twoim potrzebom!
Fiat 500L jaki silnik wybrać, aby uniknąć wysokich kosztów eksploatacji?
Wybierz odpowiedni silnik do Fiat 500L, aby uniknąć wysokich kosztów eksploatacji. Sprawdź, który silnik najlepiej odpowiada Twoim potrzebom!
Chevrolet Cruze jaki silnik wybrać dla najlepszej wydajności?
Wybierz najlepszy silnik do Chevrolet Cruze, poznaj różnice między opcjami 1.4 Turbo, 1.8, 1.7 TD i 2.0 CDTI oraz ich wpływ na wydajność.
Jak sprawdzić pompę oleju silnika C-360 i uniknąć kosztownych napraw
Sprawdź, jak sprawdzić pompę oleju silnika C-360, aby uniknąć kosztownych napraw i zapewnić długowieczność swojego silnika.
Nissan Qashqai jaki silnik wybrać? Poznaj najlepsze opcje i osiągi
Wybór silnika do Nissan Qashqai ma kluczowe znaczenie. Sprawdź, które silniki oferują najlepsze osiągi i oszczędność paliwa, aby dopasować auto do swoich potrzeb.
Opel Mokka jaki silnik - wybierz najlepszą jednostkę napędową dla siebie
Wybierz idealny silnik do Opel Mokka! Sprawdź, który silnik Mokka najlepiej odpowiada Twoim potrzebom pod względem osiągów, oszczędności i niezawodności.
Renault Master jaki silnik wybrać, aby uniknąć kosztownych błędów?
Wybierz odpowiedni silnik do Renault Master, aby uniknąć kosztownych błędów. Sprawdź, jakie opcje będą najlepsze dla Twoich potrzeb transportowych.
Ile oleju do silnika DAF XF 106? Sprawdź wymagania i uniknij problemów
Ile oleju do silnika DAF XF 106? Sprawdź wymagania dla silników PACCAR MX-11 i MX-13, aby uniknąć problemów z eksploatacją.
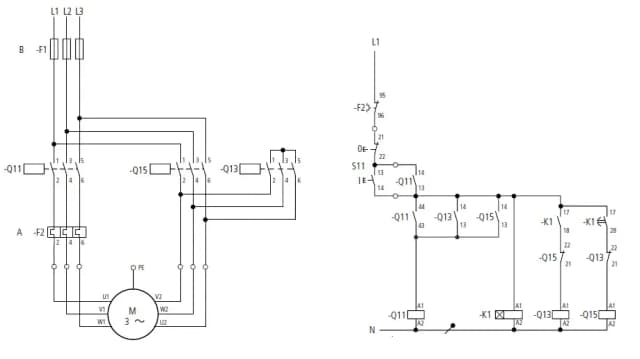
Jak podłączyć silnik gwiazda trójkąt - uniknij błędów w instalacji
Dowiedz się, jak podłączyć silnik gwiazda trójkąt, unikając typowych błędów. Zyskaj pewność w instalacji i zwiększ efektywność swojego silnika.
Kia Optima jaki silnik - sprawdź najlepsze opcje i ich problemy
Zastanawiasz się, kia optima jaki silnik wybrać? Sprawdź dostępne opcje, ich osiągi oraz potencjalne problemy, aby podjąć świadomą decyzję.
Ford B-Max jaki silnik wybrać? Poznaj najlepsze opcje silnikowe
Zastanawiasz się, ford b-max jaki silnik wybrać? Poznaj różne opcje silnikowe, ich osiągi i zalety, aby podjąć najlepszą decyzję dla siebie.