Proces podłączenia silnika wymaga znajomości podstawowych zasad elektrycznych oraz odpowiednich narzędzi. Dzięki właściwemu zrozumieniu kroków, które należy wykonać, można zapewnić bezpieczne i efektywne działanie silnika. Od momentu podłączenia w konfiguracji gwiazda, aż po przełączenie na konfigurację trójkąt, każdy etap jest kluczowy dla uzyskania optymalnych wyników.
Kluczowe wnioski:
- Metoda gwiazda-trójkąt znacząco obniża prąd rozruchowy silnika, co zmniejsza ryzyko uszkodzeń.
- Podłączenie w konfiguracji gwiazda redukuje napięcie na każdej cewce, co jest korzystne podczas uruchamiania.
- Przełączenie na konfigurację trójkąt pozwala na uzyskanie pełnego momentu obrotowego i normalnej prędkości pracy silnika.
- Bezpieczeństwo przy instalacji jest kluczowe; należy przestrzegać zasad ochrony i unikać typowych błędów.
- Regularne sprawdzanie połączeń i konserwacja silnika wydłuża jego żywotność i poprawia wydajność.
Jak prawidłowo podłączyć silnik gwiazda trójkąt dla początkujących
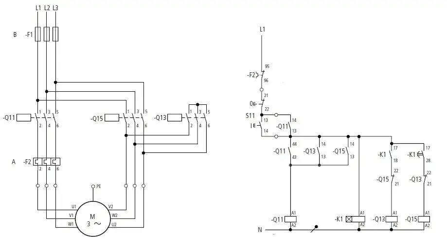
Podłączenie silnika trójfazowego za pomocą metody gwiazda-trójkąt to kluczowy proces, który pozwala na efektywne uruchomienie silnika przy minimalizacji prądu rozruchowego. W tej metodzie wszystkie końce uzwojeń silnika są prowadzone do skrzynki przyłączeniowej, co umożliwia zarówno połączenia w konfiguracji gwiazda, jak i trójkąt. Ważne jest, aby zrozumieć, jak prawidłowo wykonać te połączenia, aby zapewnić bezpieczeństwo i wydajność działania silnika.
Podczas podłączania silnika w konfiguracji gwiazda, napięcie na każdym uzwojeniu jest obniżane do około 57,7% napięcia linii. Dzięki temu prąd rozruchowy jest znacznie niższy niż w przypadku bezpośredniego podłączenia. Proces ten składa się z dwóch głównych etapów: najpierw łączymy silnik w konfiguracji gwiazda, a następnie przełączamy na konfigurację trójkąt, gdy silnik osiągnie odpowiednią prędkość. Poniżej przedstawiamy szczegółowe kroki, które pomogą w prawidłowym podłączeniu silnika.
Krok po kroku: Podłączenie silnika w konfiguracji gwiazda
Aby podłączyć silnik w konfiguracji gwiazda, należy najpierw zidentyfikować wszystkie końce uzwojeń silnika, które powinny być oznaczone w dokumentacji lub na tabliczce znamionowej. Podłącz uzwojenia w taki sposób, aby utworzyły one kształt gwiazdy, co oznacza, że końce uzwojeń będą połączone w jednym punkcie. Użyj odpowiednich narzędzi, takich jak wkrętaki i zaciski, aby zapewnić solidne połączenia. Warto również skorzystać z diagramów, które pomogą w wizualizacji procesu.
- Sprawdź, czy wszystkie końce uzwojeń są dostępne w skrzynce przyłączeniowej.
- Użyj diagramu połączeń gwiazda, aby upewnić się, że wszystko jest podłączone poprawnie.
- Upewnij się, że połączenia są mocne i nie ma luzów, które mogą prowadzić do awarii.
| Uzwojenie A | Połączenie do punktu wspólnego |
| Uzwojenie B | Połączenie do punktu wspólnego |
| Uzwojenie C | Połączenie do punktu wspólnego |
Krok po kroku: Przełączenie silnika na konfigurację trójkąt
Po osiągnięciu przez silnik prędkości zbliżonej do nominalnej, następuje przełączenie na konfigurację trójkąt. W tym momencie, pełne napięcie zasilania jest aplikowane na każde uzwojenie, co pozwala na uzyskanie pełnego momentu obrotowego. Aby przełączyć silnik, używa się kontaktu czasowego, który automatycznie zmienia połączenie z gwiazdy na trójkąt. Ustawienie czasu przełączenia jest kluczowe; powinno być dostosowane do specyfikacji silnika oraz jego charakterystyki przyspieszenia.Ważne jest, aby upewnić się, że silnik jest odpowiednio zabezpieczony przed przeciążeniem w momencie przełączania. Zbyt szybkie przełączenie może prowadzić do uszkodzenia silnika lub spadku jego wydajności. Dlatego, przed wykonaniem przełączenia, warto monitorować prędkość silnika oraz prąd pobierany przez uzwojenia. Używanie odpowiednich czujników i systemów monitorujących może znacznie ułatwić ten proces i zapewnić jego bezpieczeństwo.
Redukcja prądu rozruchowego: Jak to działa i dlaczego jest ważne
Podczas podłączania silnika w konfiguracji gwiazda, napięcie na każdym uzwojeniu jest znacznie obniżane, co prowadzi do redukcji prądu rozruchowego. Zmniejszenie napięcia do około 57,7% napięcia linii sprawia, że prąd rozruchowy jest trzykrotnie niższy niż w przypadku bezpośredniego podłączenia. Taki stan rzeczy jest kluczowy, ponieważ zbyt wysoki prąd rozruchowy może prowadzić do uszkodzenia silnika oraz innych komponentów elektrycznych. Dzięki zastosowaniu metody gwiazda-trójkąt, silnik ma szansę na łagodniejsze uruchomienie, co zmniejsza ryzyko awarii.
Redukcja prądu rozruchowego wpływa również na zmniejszenie obciążenia sieci elektrycznej, co jest szczególnie istotne w przypadku dużych instalacji przemysłowych. Mniej energii pobieranej w momencie uruchomienia oznacza mniejsze ryzyko spadków napięcia, które mogą wpływać na inne urządzenia. Dlatego tak ważne jest, aby zrozumieć, jak działa ta metoda i jakie korzyści przynosi zarówno dla silnika, jak i dla całego systemu elektrycznego.
Zwiększenie żywotności silnika: Jak uniknąć nadmiernego zużycia
Metoda gwiazda-trójkąt nie tylko redukuje prąd rozruchowy, ale także znacząco wpływa na żywotność silnika. Dzięki łagodnemu uruchomieniu, silnik nie jest narażony na nagłe skoki momentu obrotowego, co zmniejsza zużycie mechaniczne. Mniejsze obciążenia podczas startu przekładają się na dłuższy czas eksploatacji silnika, co jest korzystne zarówno dla użytkowników, jak i dla producentów.
Bezpieczeństwo przy podłączaniu silnika gwiazda trójkąt
Podczas podłączania silnika w metodzie gwiazda-trójkąt, przestrzeganie zasad bezpieczeństwa jest kluczowe dla uniknięcia wypadków oraz uszkodzeń sprzętu. Przede wszystkim, przed rozpoczęciem jakichkolwiek prac, należy upewnić się, że zasilanie jest wyłączone. Warto również korzystać z odpowiednich narzędzi oraz sprzętu ochronnego, takiego jak rękawice, okulary ochronne i obuwie robocze. Bezpieczeństwo osobiste powinno być zawsze na pierwszym miejscu, a każdy krok instalacji powinien być dokładnie zaplanowany i przemyślany.
Ważne jest także, aby wszyscy pracownicy zaangażowani w instalację byli odpowiednio przeszkoleni w zakresie obsługi urządzeń elektrycznych. Zrozumienie zasad działania silnika oraz metod podłączenia pozwala na uniknięcie błędów, które mogą prowadzić do poważnych wypadków. Dobrze jest również regularnie przeprowadzać przeglądy sprzętu oraz instalacji, aby upewnić się, że wszystko działa prawidłowo i zgodnie z normami bezpieczeństwa.
Najważniejsze zasady bezpieczeństwa podczas instalacji
Podczas instalacji silnika w konfiguracji gwiazda-trójkąt, kluczowe jest przestrzeganie kilku podstawowych zasad bezpieczeństwa. Po pierwsze, zawsze należy wyłączać zasilanie przed rozpoczęciem pracy nad instalacją. Po drugie, upewnij się, że wszystkie połączenia są solidne i dobrze izolowane, aby uniknąć zwarć. Warto także korzystać z narzędzi z izolowanymi uchwytami, co dodatkowo zwiększa bezpieczeństwo. Nie zapominaj o odpowiednich środkach ochrony osobistej, takich jak kaski, rękawice i okulary ochronne, aby minimalizować ryzyko urazów podczas pracy.
Typowe błędy przy podłączaniu i jak ich unikać
Podczas instalacji silnika w konfiguracji gwiazda-trójkąt mogą wystąpić różne błędy, które mogą prowadzić do problemów z działaniem silnika. Jednym z najczęstszych błędów jest nieprawidłowe połączenie uzwojeń, co może skutkować zwarciem lub niewłaściwym działaniem silnika. Innym powszechnym problemem jest niewłaściwe ustawienie czasu przełączenia z gwiazdy na trójkąt, co może prowadzić do nadmiernego obciążenia silnika. Ważne jest również, aby nie ignorować izolacji połączeń, ponieważ może to prowadzić do uszkodzeń elektrycznych. Dodatkowo, niezabezpieczenie obwodów przed przypadkowym włączeniem zasilania podczas instalacji jest poważnym błędem, który może zagrażać bezpieczeństwu.
- Nieprawidłowe połączenie uzwojeń, co prowadzi do zwarć.
- Niewłaściwe ustawienie czasu przełączenia z gwiazdy na trójkąt.
- Brak odpowiedniej izolacji połączeń, co może skutkować uszkodzeniami elektrycznymi.
- Niezabezpieczenie obwodów przed przypadkowym włączeniem zasilania.
- Nieprzestrzeganie zasad bezpieczeństwa podczas instalacji.

Czytaj więcej: Objawy uszkodzonej poduszki silnika – jak je rozpoznać i uniknąć kosztów
Rozwiązywanie problemów: Co robić, gdy silnik nie działa
Gdy silnik nie działa po podłączeniu w konfiguracji gwiazda-trójkąt, pierwszym krokiem jest przeprowadzenie diagnostyki. Należy sprawdzić, czy zasilanie jest prawidłowo podłączone oraz czy nie występują przerwy w obwodzie. Dobrze jest również zweryfikować, czy wszystkie połączenia są mocne i dobrze izolowane. W przypadku, gdy silnik nie uruchamia się, warto również sprawdzić, czy czas przełączenia z gwiazdy na trójkąt jest poprawnie ustawiony, aby uniknąć przeciążenia silnika.
Jeśli po wykonaniu powyższych kroków silnik nadal nie działa, konieczne może być przeprowadzenie dalszej diagnostyki. Warto użyć multimetru do pomiaru napięcia na zaciskach silnika oraz sprawdzić, czy nie ma zwarć w uzwojeniach. W przypadku stwierdzenia uszkodzenia, należy wymienić uszkodzone elementy, takie jak uzwojenia czy styczniki. Regularne przeglądy i konserwacja silnika mogą również pomóc w szybszym identyfikowaniu problemów oraz w unikaniu poważniejszych usterek w przyszłości.
Jak optymalizować pracę silnika gwiazda-trójkąt w praktyce
Aby maksymalnie wykorzystać potencjał silnika podłączonego w konfiguracji gwiazda-trójkąt, warto rozważyć zastosowanie nowoczesnych technologii monitorowania i automatyzacji. Wprowadzenie czujników temperatury oraz czujników prądu pozwala na bieżąco śledzić parametry pracy silnika. Dzięki tym danym można dostosować ustawienia przełączania z gwiazdy na trójkąt, co zwiększa efektywność energetyczną oraz wydajność silnika.Warto również rozważyć implementację systemów inteligentnej automatyki, które mogą analizować dane z czujników i w czasie rzeczywistym dostosowywać parametry pracy silnika. Takie podejście nie tylko zwiększa wydajność, ale również znacząco wpływa na redukcję kosztów eksploatacji i przedłużenie żywotności silnika. W przyszłości, integracja silników z systemami IoT (Internet of Things) może umożliwić zdalne monitorowanie i zarządzanie, co otworzy nowe możliwości w zakresie optymalizacji procesów przemysłowych.
